PRODUCTS | PTO - POWER TAKE OFF | EATON FULLER

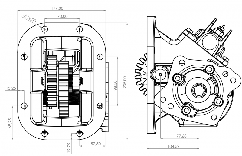
Gearbox Type Eaton Fuller, RT 11609 A-RT 11613-RTLO 16918B, RTLO18918B
Mounting Styles 8-Bolt, SAE B, Underside PTO
Control Type Pneumatic
Sense of Rotation Opposite of Engine Shaft
Ratio 0,79 / 3 internal speed ratios
Shift Type Mechanical
Standard Output Shaft Size 1-1/4" Round w/key
Intermittent Torque Rating 339 (Nm) - 250 (lbs.ft)
Output Shaft (HP) 500 RPM: 24, 1000 RPM: 48
Output Shaft (Kw) 500 RPM: 18, 1000 RPM: 36
Weight  13,6 (kg) - 30  (lbs)
Options Engage/Disengage Sensor
Truck brands MACK, KENWORTH, PETERBILT, WESTERN STAR, FREIGHTLINER 
Applications Garbage Truck / Crane Truck / Dump Truck
Equivalent: Chelsea 489XQABXV3XK
Chelsea 489, Bezares 2000, Muncie TG, and 8405 series
Chelsea 489 Cross Reference:  489XHAHX-V3XK, 489XLAHX-V3XK, 489XQAHX-V3XK
Muncie TG series Cross Reference:  TG8S-U6807-A3KX, TG8S-U6808-A3KX, TG8S-U6809-A3KX
Muncie 8405series Cross Reference: 8405A07-A3KX, 8405A08-A3KX, 8405A09-A3KX
Chelsea 489, Bezares 2000, Muncie TG and 8405 series Chelsea 489 Cross Reference:  489XHAHX-V3XK, 489XLAHX-V3XK, 489XQAHX-V3XK Muncie TG series Cross Reference:  TG8S-U6807-A3KX, TG8S-U6808-A3KX, TG8S-U6809-A3KX Muncie 8405series Cross Reference: 8405A07-A3KX, 8405A08-A3KX, 8405A09-A3KX Optima DrivesChelsea 489, Bezares 2000, Muncie TG and 8405 series Chelsea 489 Cross Reference:  489XHAHX-V3XK, 489XLAHX-V3XK, 489XQAHX-V3XK Muncie TG series Cross Reference:  TG8S-U6807-A3KX, TG8S-U6808-A3KX, TG8S-U6809-A3KX Muncie 8405series Cross Reference: 8405A07-A3KX, 8405A08-A3KX, 8405A09-A3KX
Gearbox Type Eaton Fuller, Mack, Tremec/TTC, and Meritor, manual transmission, medium and heavy duty transmissions
Mounting Styles 8-Bolt
Control Type  
Sense of Rotation  
Ratio  
Shift Type Power Shift (Air)
Standard Output Shaft Size 1-1/4" Round w/key
Intermittent Torque Rating  339 (Nm) - 250 (lbs.ft)
Output Shaft (HP) 500 RPM: 24, 1000 RPM: 48
Output Shaft (Kw) 500 RPM: 18, 1000 RPM: 36
Weight (kg) 22 (kg) - 49 (lbs)
Options  
Truck brands  
Applications LP Gas Trucks, Water Trucks, Fire and Rescue
Equivalent: Chelsea 238 
Chelsea 238, Power Shift (Air) pto for Eaton Fuller, Mack, Tremec/TTC, and Meritor, manual transmission, medium and heavy duty transmissions Optima Drives
Gearbox Type EATON FULLER, MACK, ZF Rockwell Meritor, for Heavy Duty, manual transmission
Mounting Styles SAE 8 Hole
Control Type  
Sense of Rotation  
Ratio  
Shift Type Mechanical
Standard Output Shaft Size 1-1/4" Round w/ Key
Intermittent Torque Rating  508 (Nm) - 375 (lbs.ft)
Output Shaft (HP) 500 RPM: 36, 1000 RPM: 71, 1500 RPM: 107
Output Shaft (Kw) 500 RPM: 27, 1000 RPM: 53, 1500 RPM: 80
Weight  12,8 (kg) - 28,2 (lbs)
Options  
Truck brands Mack
Applications Blowers, Log Loaders, etc
Equivalent: Chelsea 680, Bezares 4100 series, Muncie SH8, 
Chelsea 680, Bezares 4100 series, Muncie SH8, PTO EATON FULLER, MACK, ZF Rockwell Meritor - Heavy Duty, manual transmission Optima Drives
Gearbox Type Eaton Fuller, Mack, ZF Rockwell, Meritor - Heavy duty - manual transmissions
Mounting Styles 8-Bolt
Control Type Pneumatic
Sense of Rotation  
Ratio  
Shift Type Mechanical
Standard Output Shaft Size 1-1/2" - 10T Spline w/ 1410 Flange
Intermittent Torque Rating  678 (Nm) - 500 (lbs.ft)
Output Shaft (HP) 500 RPM: 48, 1000 RPM: 95
Output Shaft (Kw) 500 RPM: 36, 1000 RPM: 71
Weight (kg) 28,6 (kg) - 63 (lbs)
Options  
Truck brands  
Applications uct blowers, oil rigs, fire trucks, large cap tow vehicles and other tough challenges
Equivalent: Chelsea 880, Bezares 8500 serie PTO, Muncie 828 PTO, 
Chelsea 880, Bezares 8500 serie PTO, Muncie 828 PTO, Eaton Fuller, Mack, ZF Rockwell, Meritor - Heavy duty - manual transmissions Optima Drives
Gearbox Type Eaton Fuller, Mack, ZF Rockwell, Meritor 
Mounting Styles  
Control Type  
Sense of Rotation  
Ratio  
Shift Type Hot Shift PTO
Standard Output Shaft Size  
Intermittent Torque Rating  (Nm) - (lbs)
Output Shaft (HP)  
Output Shaft (Kw)  
Weight   
Options  
Truck brands  
Applications Dump Trucks, Water Trucks, Spreaders, Walking Floor, Low Boy
Equivalent: Chelsea 282, Bezares 3800, Muncie CS8, 
Chelsea 282, Bezares 3800, Muncie CS8, Hot Shift PTO for Eaton Fuller, Mack, ZF Rockwell, Meritor Optima Drives
Gearbox Type Eaton Fuller, Chevrolet, Mack, NEW PROCESS, NEW VENTURE, WARNER, ZF Rockwell, Meritor
Mounting Styles Forward and Reverse Output  - SAE 6 Holes, Reversible
Control Type Pneumatic
Sense of Rotation  
Ratio  
Shift Type  
Standard Output Shaft Size  
Intermittent Torque Rating  (Nm) - (lbs)
Output Shaft (HP)  
Output Shaft (Kw)  
Weight   
Options  
Truck brands  
Applications  
Equivalent: Chelsea 340, Bezaers 6000, Muncie RL6D, 
Chelsea 340, Bezaers 6000, Muncie RL6D, pto for Eaton Fuller, Chevrolet, Mack, NEW PROCESS, NEW VENTURE, WARNER, ZF Rockwell, Meritor Optima Drives
Gearbox Type Eaton Fuller, Mack, Reverse PTO that fits most manual transmissions
Mounting Styles 8-Bolt
Control Type  
Sense of Rotation  
Ratio  
Shift Type  
Standard Output Shaft Size  
Intermittent Torque Rating  (Nm) - (lbs)
Output Shaft (HP)  
Output Shaft (Kw)  
Weight   
Options  
Truck brands  
Applications This PTO is ideal for large-capacity winches, especially in oil field applications.
Equivalent: Chelsea 863, Bezares 8000, Muncie 838
pto Chelsea 863, Bezares 8000, Muncie 838, pto for Eaton Fuller, Mack, Reverse PTO that fits most manual transmissions Optima Drives
* The original part numbers, reference numbers and brand names are used only for identification purposes. They do not imply that the products are original (OEM).